Spule LM 350/127-303
08 LM / EM - Spulen, 07 Übersicht Spulen
- Mehrweg
- Wickelgut : Datenkabel, Energiekabel, extrudierte Leitungen
- Material : PS | Material Information
- Standard Wickelvolumen : 19814 cm³
- Zentral-Bohrung Ø : 127 mm
- Katalog Zuordnung: 08 LM / EM - Spulen, 07 Übersicht Spulen
- DIN 46395 Entwurf - Maschinen-Spulen und andere.
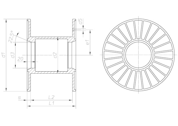
Technische Daten - Spulen
Spulen
Flansch Ø | Kern Ø | Zentral-Bohrung Ø | Breite | Wickelbreite | Flanschdicke |
Wickel- volumen |
Z.-bohrungs Ø kegeliger Teil |
Mitnahme- einrichtung |
Mitnahme- distance |
---|---|---|---|---|---|---|---|---|---|
d1 [mm] | d2 [mm] | d3 [mm] | L1 [mm] | L2 [mm] | S [mm] | V [cm³] | d4 [mm] | d5 [mm] | E1 [mm] |
350 | 180 | 16 - 127 | 303 | 50 - 280 | 11.5 | 3538 - 19814 | 143.5 |
Verpackung
Bezeichnung | Karton | Gewicht Karton | Karton Außenmaße | Paletten | Gewicht Palette | Paletten Aussenmaße |
---|---|---|---|---|---|---|
Stück | kg | cm | Stück | kg | cm | |
Spule LM 350/127-303 | 0 | - | 72 | 180 | 100x120x196 | |
Achtung: |
Technische Zeichnung
Spulen
