Reel SI 200/25,8-46
21 Fibre optic cable reels
- Reusable
- Winding material : Optical fibre cable, optical cables
- Material : PS | Material Information
- Standard winding volume : 390 cm³
- Central bore Ø : 25.80 mm
- Catalogue categorization: 21 Fibre optic cable reels
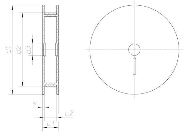
Technical data - spools
Spools
Flange Ø | Barrel Ø | Central bore Ø | Width | Winding width | Flange thickness |
Winding- volume |
Central bore Ø tapered part |
Drive- hole/pin |
Drive- distance |
---|---|---|---|---|---|---|---|---|---|
d1 [mm] | d2 [mm] | d3 [mm] | L1 [mm] | L2 [mm] | S [mm] | V [cm³] | d4 [mm] | d5 [mm] | E1 [mm] |
200 | 166 | 25.8 | 46 | 20 - 220 | 3 | 195 - 2150 |
Packaging
Designation | Cardboard box | Cardboard box weight | Cardboard box Outside Deminsions | Pallets | Pallet weight | Pallet's external dimensions |
---|---|---|---|---|---|---|
piece | kg | cm | piece | kg | cm | |
Reel SI 200/25,8-46 | 40 | 13 | 54x40x41 | 0 | - | |
Important: |
Technical drawing
Spools
